ZQ型是漸開線圓柱齒輪減速器,ZQH型是圓弧圓柱齒輪減速器,ZQSH型是二級傳動雙圓弧圓柱齒輪減速器。各減速機型均適用于建材、起重、運輸、冶金、化工和輕工等行業。
1、減速機齒輪傳動圓周速度不大于10米/秒;
2、減速機高速軸的轉速不大于1500轉/分;
3、減速機用于正反兩向運轉;
4、減速機工作環境溫度為-40℃到+40℃
ZQ型減速機傳動比有:
| 傳動比代號 | 1 | 2 | 3 | 4 | 5 | 6 | 7 | 8 | 9 |
| 公稱傳動比 | 50 | 40 | 31.5 | 25 | 20 | 16 | 12.5 | 10 | 8 |
| 實際傳動比 | 48.57 | 40.17 | 31.50 | 23.34 | 20.49 | 15.75 | 12.64 | 10.35 | 8.23 |
ZQ型減速機的型式
ZQ型減速機有兩級傳動,裝配型式共有九種,輸入軸伸為圓錐形,輸出軸端由圓柱形(Z型)、齒輪型(CA型、C型)以及歐氏(十字滑塊)聯軸器(F型)。
ZQ與ZQ(H)型圓柱齒輪減速機的區別
ZQ(H)是在ZQ型漸開線圓柱齒輪減速器系列基礎上形成的。時間證明圓弧齒輪與同規格的漸開線齒輪相比,不僅壽命長,而且能力大,強度高,齒面磨損小。
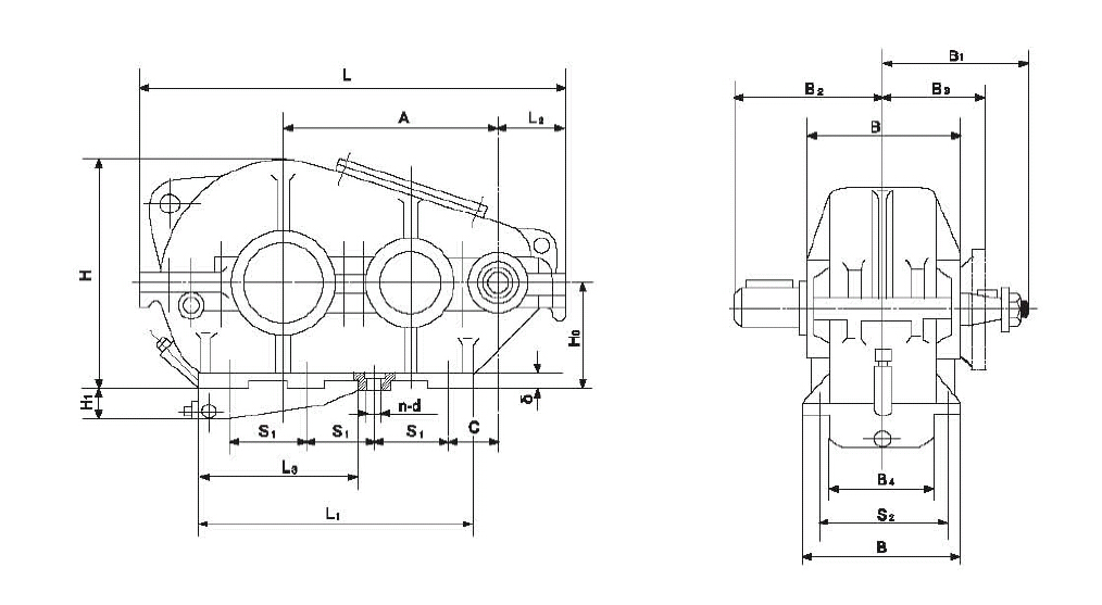
ZQ型減速機的外形圖及尺寸
軟齒面減速機" title="ZQ(H)、JZQ軟齒面減速機"/>

ZQ型減速機的裝配形式
