概述:
硬齒面減速器主要包括平行軸系列和垂直軸系列,平行軸減速器是按標準(JB/T8853-2001)生產,產品經優化設計,具有國際先進水平,它主要包括ZDY(單級)、ZLY(兩級)、ZSY(三級)和ZFY(四級)四大系列,垂直軸減速器是按標準(JB/T9002-1999)生產,用于輸入軸與輸出軸呈垂直方向布置的傳動裝置,它主要包括DBY、DCY和DFY三大系列廣泛應用于冶金、礦山、化工、建材、起重、運輸、紡織、造紙、儀器、塑料、橡膠、工程機械、能源等工業部門。
一、減速機適用范圍如下:
1、高速軸轉不大于1500轉/分。
2、齒輪傳動圓周速度不大于20米/秒。
3、工作環境溫度為-40-45度,如果低于0度,啟動前潤滑油應預熱至0度以上,本減速機可用于正反兩個方向運轉。
二、特點
1、齒輪采用高強度低碳合金鋼經滲淬火而成,齒面硬度達HRC58-62,齒輪均采用數控磨齒工藝,精度高,接觸性好。
2、傳動率高:單級大于96.5percent ,雙級大于93percent ,三級大于90percent 。
3、體積小,重量輕,使用壽命長,承載能力高、運轉平穩,噪音低。
4、一般采用油池潤滑,自然冷卻,當熱功率不能滿足時,可采用循環油潤滑或風扇,冷卻盤管冷卻。
5、易于拆檢,易于安裝。
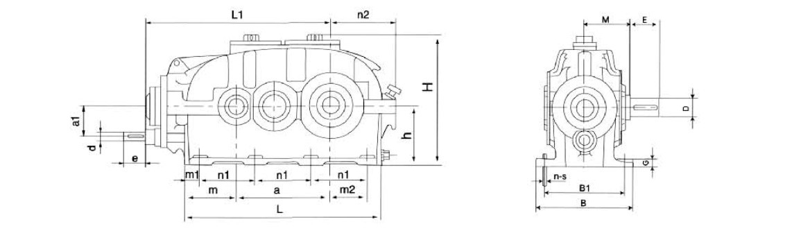
三、DFY系列減速機的外形圖及尺寸、裝配形式
硬齒面減速機" alt="DFY(DFYK)系列硬齒面減速機"/>


四、DFY(DFYK)型減速機的外形圖、尺寸表及裝配形式


五、DFY(DFYK)系列減速器的功率表

